AFE R750 Development

From ESS-WIKI
Jump to: navigation, search

Attention

Account & Password

Account number

ubuntu

In device used "sudo" or "sudo su" to root. Password required.

ubuntu

Tools

750agx-1.png

Test Command

JP6.2

HDMI

Set on debug port

$ export DISPLAY=:0
$ xrandr

Image resolution : Full HD 1920 x 1080 pixels

$ xrandr -d :0 --output HDMI-0 --mode 1920x1080 -r 60.00

Image resolution : 4K 3840 x 2160 pixels

$ xrandr -d :0 --output HDMI-0 --mode 3840x2160 -r 60.00

021-xrandr.png

FAN

Set value 0~255

$ sudo su
$ echo 255 > /sys/class/hwmon/hwmon0/pwm1

CAN

Hardware setting for AGX Orin
750-can-1.png
750-can-2.png

<Receive> In terminal, run below command

$ sudo su
# modprobe can
# modprobe can-dev
# modprobe mttcan
# ip link set can0 type can bitrate 500000
# ip link set can0 up
# candump can0

<Transmit> In other terminal, run below command

$ sudo su
# modprobe can
# modprobe can-dev
# modprobe mttcan
# ip link set can1 type can bitrate 500000
# ip link set can1 up
# cansend can1 123#abcdabcd

WatchDog

$ sudo su
# sync; sleep 2; sync; echo c > /proc/sysrq-trigger

TPM

Pre-install TPM-tools

$ sudo apt install --yes tpm2-tools

(1) generate randon code

$ sudo su
root@linux:/home/ubuntu# tpm2_getrandom --hex 20

(2) encrypted target file msg.dat

root@linux:/home/ubuntu# tpm2_createprimary -C p -c platform_primary.ctx
root@linux:/home/ubuntu# tpm2_create -C platform_primary.ctx -G rsa2048 -u key.pub -r key.priv
root@linux:/home/ubuntu# tpm2_load -C platform_primary.ctx -u key.pub -r key.priv -c key.ctx
root@linux:/home/ubuntu# echo "my test" >msg.dat
root@linux:/home/ubuntu# tpm2_rsaencrypt -c key.ctx -o msg.enc msg.dat
root@linux:/home/ubuntu# cat msg.enc
root@linux:/home/ubuntu# tpm2_rsadecrypt -c key.ctx -o msg.ptext msg.enc
root@linux:/home/ubuntu# cat msg.ptext 
root@linux:/home/ubuntu# cat msg.dat

(3) store data into tpm

root@linux:/home/ubuntu# tpm2_nvdefine -Q 0x1500031 -C o -s 32 -a "ownerread|policywrite|ownerwrite"
root@linux:/home/ubuntu# echo "write_tpm_adv" >  adv.data
root@linux:/home/ubuntu# tpm2_nvwrite -Q 0x1500031 -C o -i adv.data
root@linux:/home/ubuntu# tpm2_nvread -Q 0x1500031 -C o -s 32 -o read.data
root@linux:/home/ubuntu# cat read.data

(4) check the data has been stored tpm 

root@linux:/home/ubuntu# tpm2_nvreadpublic > nv.out
root@linux:/home/ubuntu# cat nv.out

Error

ERROR: Esys_NV_DefineSpace(0x14C) - tpm:error(2.0): NV Index or persistent object already defined
ERROR: Failed to create NV index 0x1500031.

fixed

root@linux:/home/ubuntu# tpm2_nvundefine 0x1500031

RTC

1. Please remove all internet.

$ sudo timedatectl

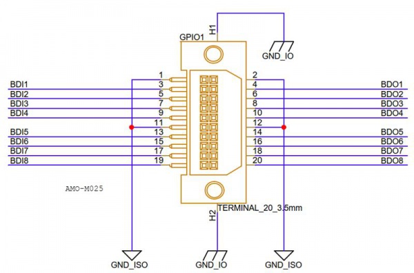
DIO GPIO

750 dio gpio.jpg
750 dio gpio 1.jpg

$ gpioinfo

GPI_1~GPI_8 (gpio300~gpio307) Can only be set input

$ gpioget gpiochip2 0

GPO_1~GPO_8(gpio308~gpio315) Can only be set output

$ gpioset gpiochip2 8=1

UART

AGX-Orin COM1: ttyTHS1 COM2: ttyTHS2
750-com-1.png

Switch to 232, 422, 485

Select the mode and refer to the table
COM1 :
750-com-2.png
COM2 :
750-com-3.png

RS-232

COM1_SW1 OFF-OFF-OFF-OFF

$ sudo su
# stty -F /dev/ttyTHS1 speed 115200 raw -echo
# cat /dev/ttyTHS1 &
# echo "1234" > /dev/ttyTHS1
RS-422

<Receive> In terminal, run below command
COM1_SW1 ON-OFF-ON-OFF

$ sudo su
# stty -F /dev/ttyTHS1 speed 115200
# cat /dev/ttyTHS1 &
# echo "1234" > /dev/ttyTHS1

<Transmit> In other terminal, run below command
COM2_SW1 ON-OFF-ON-OFF

$ sudo su
# stty -F /dev/ttyTHS2 speed 115200
# cat /dev/ttyTHS2 &
# echo "1234" > /dev/ttyTHS2
RS-485

<Receive> In terminal, run below command
COM1_SW1 ON-ON-ON-ON

$ sudo su
# stty -F /dev/ttyTHS1 speed 115200 raw -echo
# cat /dev/ttyTHS1 &
# echo "1234" > /dev/ttyTHS1

<Transmit> In other terminal, run below command
COM2_SW1 ON-ON-ON-OFF

$ sudo su
# stty -F /dev/ttyTHS2 speed 115200 raw -echo
# cat /dev/ttyTHS2 &
# echo "1234" > /dev/ttyTHS2

IMU

BMI088

Please reference : https://docs.nvidia.com/jetson/archives/r36.4/DeveloperGuide/SD/Kernel/Bmi088ImuIioDriver.html?highlight=bmi088

$ sudo su
# echo 0 > /sys/bus/iio/devices/iio\:device0/scan_elements/in_timestamp_en
# /usr/local/bin/IMU/iio_generic_buffer -a -c 10 --device-name accelerometer -g
# /usr/local/bin/IMU/iio_generic_buffer -a -c 10 --device-name gyroscope -g
MTi
$ sudo chmod 777 /dev/ttyTHS3
$ stty -F /dev/ttyTHS3 speed 115200 raw -echo
$ cat /dev/ttyTHS3 | xxd -g1 | grep -i "fa ff 36"

MTi.png

AIW Tool

AIW-357

For JP6.1 first need to soft link source for build driver

$ cd /lib/modules/<kernel version>/build/arch/
$ sudo ln -s arm64 aarch64

Tar file

$ cd /usr/local/bin/AIW-357
$ sudo tar -xvf AIWS00LTX0317.tar.bz2

Build driver
Please reference AIW Document


For JP6.2 RealTime setting sop
Please reference NVRealTime
Add the RT kernel repository

$ sudo vi /etc/apt/sources.list.d/nvidia-l4t-apt-source.list

deb https://repo.download.nvidia.com/jetson/rt-kernel r36.4 main
RT.png

$ sudo apt update
$ sudo apt install nvidia-l4t-rt-kernel nvidia-l4t-rt-kernel-headers nvidia-l4t-rt-kernel-oot-modules nvidia-l4t-display-rt-kernel

Cold reboot the device.
Need to soft link source for build driver

$ sudo ln -sf /usr/src/linux-headers-5.15.148-rt-tegra-ubuntu22.04_aarch64/3rdparty/canonical/linux-jammy/kernel-source /lib/modules/5.15.148-rt-tegra/build
$ cd /lib/modules/5.15.148-rt-tegra/build/arch/
$ sudo ln -s arm64 aarch64

Tar file

$ cd /usr/local/bin/AIW-357
$ sudo tar -xvf AIWS00LTX0317.tar.bz2

Build driver
Please reference AIW Document

EWM-W179M201E

First need to install WIFI module

$ cd /usr/local/bin/EWM-W179
$ sudo su
# modprobe cfg80211
# insmod rtk_btusb.ko
# insmod 8852be.ko
AIW-170

First need to install WIFI module

$ cd /usr/local/bin/AIW-170
$ sudo su
# insmod btbcm.ko
# insmod btintel.ko
# insmod btqca.ko
# insmod btrtl.ko
# insmod btusb.ko
# modprobe cfg80211
# insmod wlan_cnss_core_pcie.ko
# insmod wlan.ko

GMSL

oToBrite Camera

Camera type : oToCAM222-C120M
HW setting : Camera link to GMSL port
AGX Orin :
750agx-gmsl.png
Orin Nx :
750-gmsl.png
Please install camera driver first
Attention : can only be executed once command to setup camera
Then system will reboot

$ cd /usr/local/bin/otocam

Choose your module

$ sudo ./set_otocam_agxorin_64g.sh
$ sudo ./set_otocam_agxorin_32g.sh
$ sudo ./set_otocam_orinnx.sh

Insmod driver

$ cd /home/ubuntu
$ sudo ./insmod-otocam.sh

Check Video channel "video0"...

$ ls /dev/video*

Preview command

$ cd /home/ubuntu
$ sudo ./enable-otocamera.sh


Orbbec Camera

Camera type : Orbbec Gemini 335Lg
Model : G40055-270
HW setting : Camera link to GMSL port
AGX Orin :
Orbcam agx.png
Orin Nx :
Orbcam nx.png
Please install camera driver first

$ cd /usr/local/bin/gemini335lg

Choose your module

$ sudo ./set_gemini335lg_agxorin_64g_32g.sh
$ sudo ./set_gemini335lg_orinnx_16g.sh

Cold reboot the device.

Check Video channel "video0"...

$ ls /dev/video*

Preview command
Attention : Ports 6 and 8 of the AGX Orin are unavailable, this is a limitation.

$ gst-launch-1.0 v4l2src device=/dev/video2 ! 'video/x-raw,width=1280,height=720,framerate=30/1' ! autovideosink

Reference

AFE-R750